- Tauwerk & Seile
- Yacht-Tauwerk
- Handlaufseil & Beschläge
- Absperrseil
- Netz / Schutznetz
- Spiel & Sport
- Haus & Gartengestaltung
- Drahtseil & Zubehör
- Edelstahl Drahtseil - Drahtseil Meterware / Spule
- Edelstahl Drahtseil mit Schlaufe / Kausch / Öse, konfektioniert
- Edelstahl-Drahtseil mit Terminals für Architektur & Design
- Drahtseil-Systeme & Drahtseil Terminals
- Spannschraube / DIY Terminals für Geländerfüllung & Ranksysteme
- GK26 SB Selbst-Montage System mit Kugelhalterung
- GK27 Gelenkspanner mit SB Schraubterminal
- Spannschraube, Spannschloss & Drahtseilspanner
- Ranksystem & Rankhilfe - modulare Fertig-Bausätze
- Drahtseilhalter & Befestigungen
- Drahtseil Diebstahlsicherung für Gartenmöbel & Gastronomie
- Klemmringe & Kreuzklemmen
- Drahtseil-Klemme & Kausche
- Seil für Entmistungsanlagen
- Drahtseilschneider / Drahtseilschere
- Manuelle Hand-Presszange
- Hydraulische Presszange
- Presshülsen & Pressklemmen
- BLACKLINE
- Edelstahl-Beschläge
Maxi Drahtseil-Terminals
Edelstahl Terminals aus V4A – Drahtseil Terminals für professionelle Seilspannsysteme
Unsere Edelstahl Terminals aus Edelstahl Rostfrei® V4A (Werkstoff 1.4401) sind hochwertige Drahtseil Terminals für die sichere und dauerhafte Montage von Drahtseilkonstruktionen. Die Edelstahl Terminals eignen sich ideal für Seilspannsysteme, bei denen höchste Festigkeit, hohe Bruchlast und maximale Korrosionsbeständigkeit gefordert sind.
Mit einer Bruchlast von bis zu 90 % des verwendeten Drahtseils bieten diese Drahtseil Terminals ein besonders hohes Maß an Sicherheit. Als professionelle Terminalspanner und zentrale Seilspanner-Komponenten sind sie optimal für stark belastete Anwendungen im Innen- und Außenbereich geeignet.
Weitere Informationen zu unseren Drahtseil-Terminals...

Aug-Walzterminal für 2,0mm Drahtseil / Edelstahl V4A


Terminalformen für Drahtseil-Systeme
Unser Sortiment an Edelstahl Terminals V4A umfasst verschiedene Terminaltypen, die für unterschiedliche Anwendungen und Montagearten ausgelegt sind:
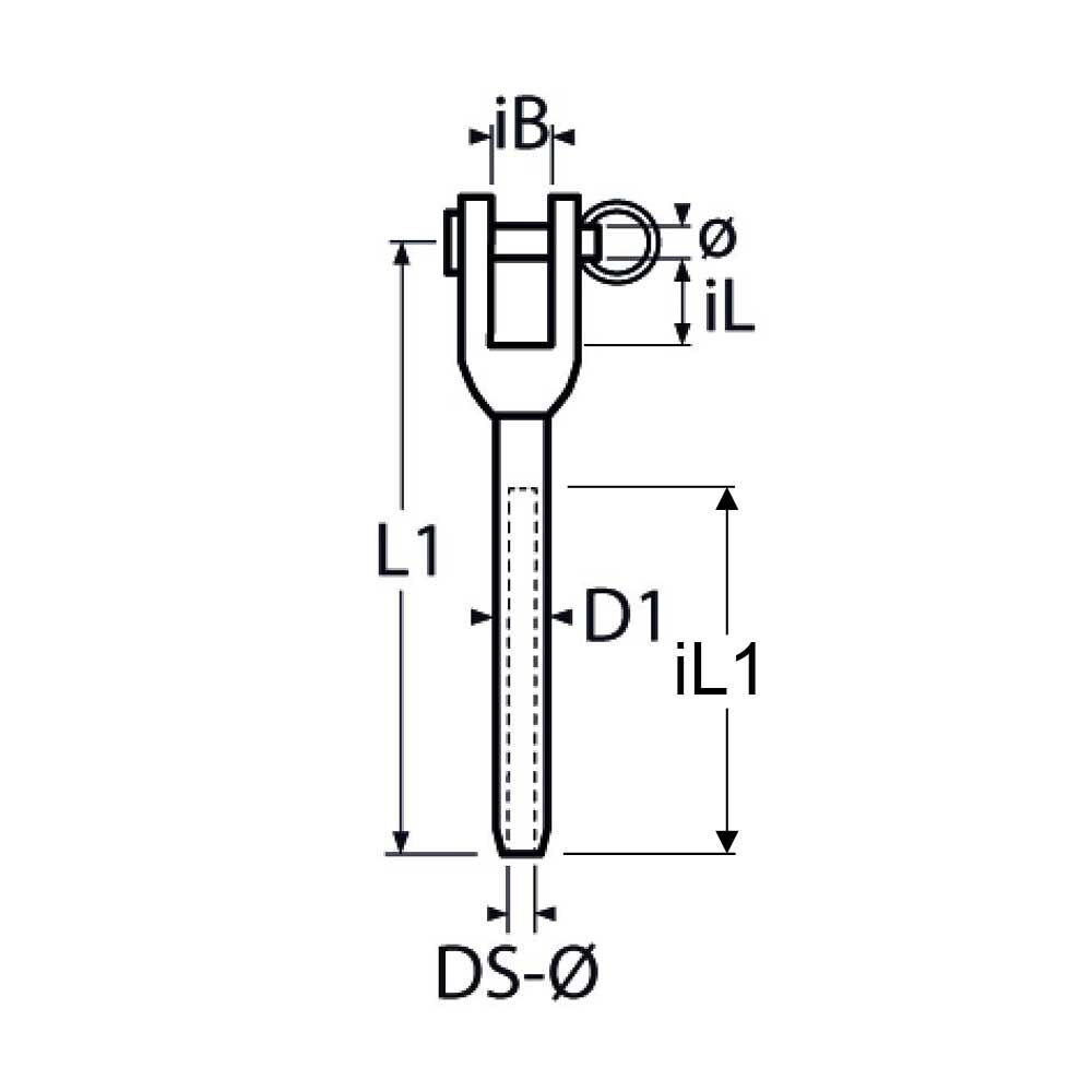
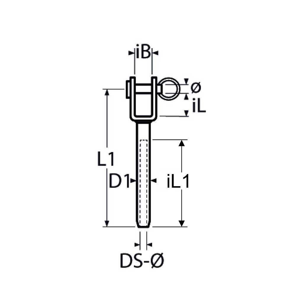
- Gewindeterminal – ideal für verschraubte Konstruktionen und Spannschloss-Systeme
- Gabelterminal – für bewegliche Verbindungen und flexible Montage
- Augterminal – zur Befestigung an Ösen, Schäkel oder Bolzen
- Senkkopf Terminal – für flächenbündige, dezente Befestigungen
- Domehead Terminal – auch als Kugelkopf Terminal, für moderne, architektonische Anwendungen
Diese Terminalspanner aus Edelstahl lassen sich perfekt mit Seilspanner, Spannschloss und Wantenspanner kombinieren und ermöglichen eine präzise Einstellung der Drahtseilspannung.
Einsatzbereiche: Architektur, Bau, Industrie & Marine
Die Edelstahl Drahtseil Terminals sind universell einsetzbar und bewähren sich in zahlreichen Anwendungsbereichen:
- Drahtseil Systeme in Architektur und Design
- Drahtseil Geländer und Absturzsicherungen
- Bauwesen und tragende Drahtseilkonstruktionen
- Maritime Anwendungen, Bootsbau und Segeltechnik
- Industrie, Maschinenbau und Sonderkonstruktionen
Dank des hochwertigen Edelstahl V4A (1.4401) sind Gewindeterminal, Gabelterminal, Augterminal, Senkkopf Terminal und Domehead Terminal optimal für Außenbereiche, Küstenregionen und aggressive Umgebungen geeignet.
Edelstahl Terminals V4A – rostfrei, belastbar, langlebig
Der verwendete Edelstahl Rostfrei® V4A (Werkstoff 1.4401) steht für maximale Korrosionsbeständigkeit, hohe Langlebigkeit und zuverlässige Festigkeit. Unsere Edelstahl Terminals sind für den dauerhaften Einsatz als Terminalspanner oder Seilspanner konzipiert und ermöglichen wartungsarme, sichere und langlebige Drahtseil-Verbindungen.
Ob Gewindeterminal, Gabelterminal, Augterminal, Senkkopf Terminal oder Domehead Terminal – diese Drahtseil Terminals aus Edelstahl stehen für professionelle Drahtseiltechnik, höchste Qualität und maximale Sicherheit.
















