- Tauwerk & Seile
- Yacht-Tauwerk
- Handlaufseil & Beschläge
- Absperrseil
- Netz / Schutznetz
- Spiel & Sport
- Haus & Gartengestaltung
- Drahtseil & Zubehör
- Edelstahl Drahtseil - Drahtseil Meterware / Spule
- Edelstahl Drahtseil mit Schlaufe / Kausch / Öse, konfektioniert
- Edelstahl-Drahtseil mit Terminals für Architektur & Design
- Drahtseil-Systeme & Drahtseil Terminals
- Spannschraube / DIY Terminals für Geländerfüllung & Ranksysteme
- GK26 SB Selbst-Montage System mit Kugelhalterung
- GK27 Gelenkspanner mit SB Schraubterminal
- Spannschraube, Spannschloss & Drahtseilspanner
- Ranksystem & Rankhilfe - modulare Fertig-Bausätze
- Drahtseilhalter & Befestigungen
- Drahtseil Diebstahlsicherung für Gartenmöbel & Gastronomie
- Klemmringe & Kreuzklemmen
- Drahtseil-Klemme & Kausche
- Seil für Entmistungsanlagen
- Drahtseilschneider / Drahtseilschere
- Manuelle Hand-Presszange
- Hydraulische Presszange
- Presshülsen & Pressklemmen
- BLACKLINE
- Edelstahl-Beschläge
Produkte filtern
–
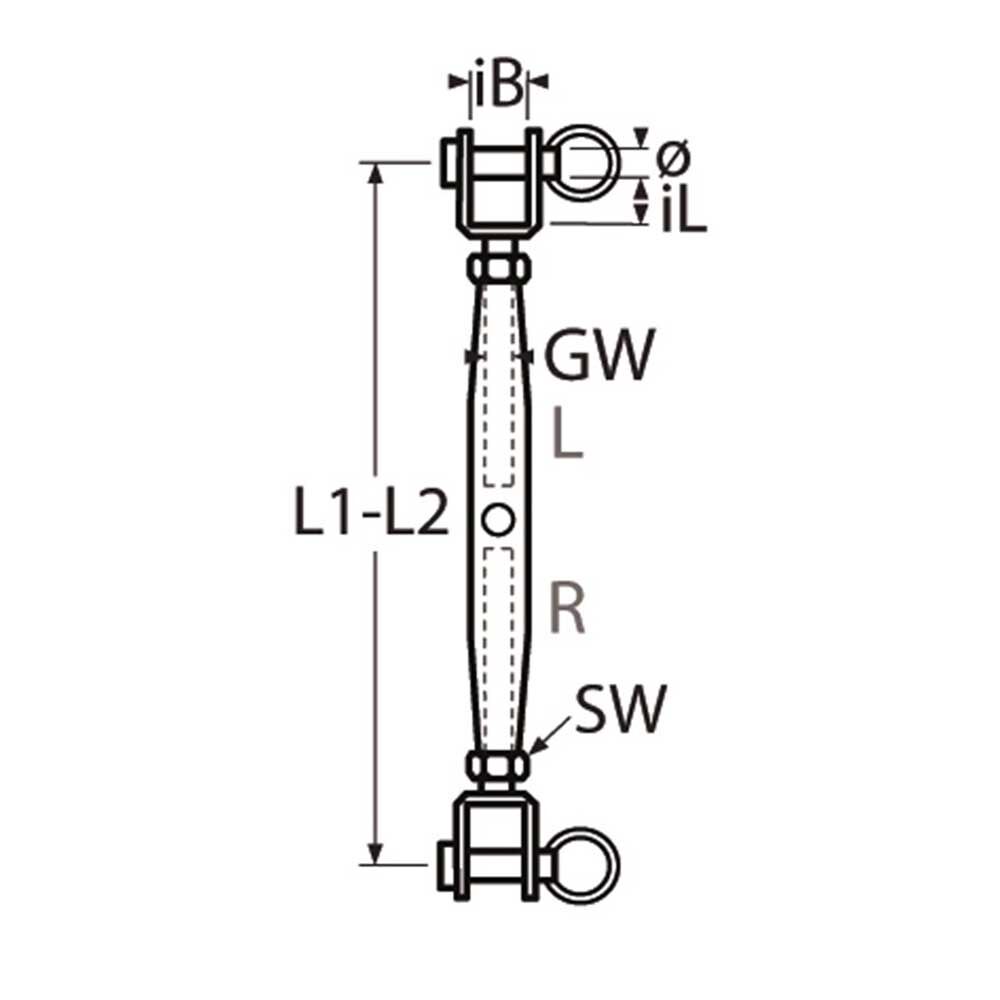
Wantenspanner-Terminal
Unsere Wantenspanner-Terminals bieten eine effektive Lösung zur spannungsoptimalen Befestigung von Drahtseilen in verschiedenen Anwendungen. Hergestellt aus hochwertigem Edelstahl Rostfrei® V4A (Werkstoff 1.4401), garantieren sie außergewöhnliche Korrosionsbeständigkeit und Langlebigkeit. Diese Terminals sind ideal für den Einsatz in Konstruktionen, bei denen eine präzise Spannkraft erforderlich ist, wie beispielsweise im industriellen Einsatz, Bauwesen, in der Architektur oder in maritimen Anwendungen. Vertrauen Sie auf die hohe Qualität und Festigkeit unserer Wantenspanner-Terminals, um dauerhafte und sichere Verbindungen zu gewährleisten, die für höchste Belastungen gefertigt wurden.
Produkte filtern
–



